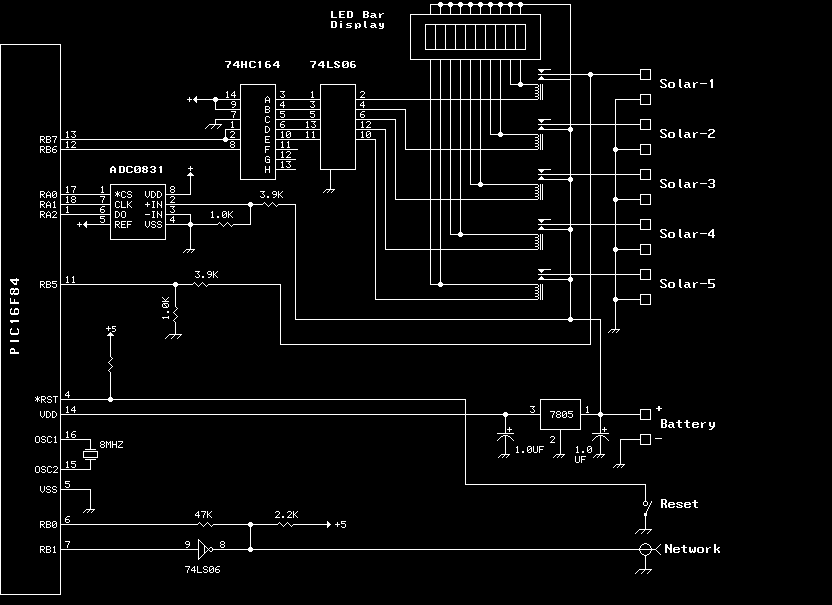
Solar Controller Block Diagram Controller charge solar microcontroller diagram block using power based tracking maximum pv panels interface elprocus projects

Solar charge diagram controller solutions power jameco

If you are searching about MPPT for Charge Controller and Solar Panel - Appropedia: The you've came to the right place. We have 35 Images about MPPT for Charge Controller and Solar Panel - Appropedia: The like Maximum Power Tracking based Solar Charge Controller, Solar Charge Controller Working using Microcontroller and also DIY AUTOMATIC SOLAR CHARGE CONTROLLER | Solar panels, Solar, Circuit. Here you go:

MPPT For Charge Controller And Solar Panel - Appropedia: The

MPPT for Charge Controller and Solar Panel - Appropedia: The www.appropedia.org

mppt controller charge diagram solar panel system block appropedia proposed fig basic

Proposed Block Diagram Of The MPPT Solar Charge Controller (SCC

Proposed block diagram of the MPPT solar charge controller (SCC www.researchgate.net

mppt scc

Pin On Battery's

Pin on battery's www.pinterest.co.uk

reconditionleadacidbattery

Solar Charge Controller Using MPPT Technology

Solar Charge Controller using MPPT Technology www.elprocus.com

solar controller charge mppt diagram block panel using technology sun project edgefxkits system circuit tracking power microcontroller supply

Solar Panel Controller

Solar Panel Controller electronics-diy.com

solar

The Sound Of Sunshine – Knee Deep In It

The Sound of Sunshine – Knee Deep In It kneedeepinit.com

solar sunshine sound basic power system

ASOKA TECHNOLOGIES : Single Stage Solar PV Fed Brushless DC Motor

ASOKA TECHNOLOGIES : Single Stage Solar PV Fed Brushless DC Motor asokatechnologies.blogspot.com

diagram block solar brushless motor pump fed pv stage dc single asoka technologies water

Wiring Diagram Of Solar Panel System

Wiring diagram of solar panel system cookinglove.com

perkara srp monocrystalline

Solar Panel Charge Controller Wiring Diagram Sample

Solar Panel Charge Controller Wiring Diagram Sample wholefoodsonabudget.com

solar controller charge diagram panel wiring mppt proteus arduino simulation power project schematic simulator schematics circuit code using point voltage

Solar Power Solutions Himin And Power Mate By Robery Cong

Solar Power Solutions Himin and Power Mate by Robery Cong www.jameco.com

solar charge diagram controller solutions power jameco

Photovoltaic Systems أنظمة الطاقة الشمسية: Solar Charge Controller

photovoltaic systems أنظمة الطاقة الشمسية: Solar Charge Controller salembenmoussa.blogspot.com

solar controller charge mppt technology using

10 Amp 12/24V PWM Solar Charge Controller | Inverter.com

10 Amp 12/24V PWM Solar Charge Controller | inverter.com www.inverter.com

solar controller charge pwm diagram wiring inverter amp 24v

Photovoltaic Systems أنظمة الطاقة الشمسية: Automatic Solar Submersible

photovoltaic systems أنظمة الطاقة الشمسية: Automatic Solar Submersible salembenmoussa.blogspot.com

solar pump automatic submersible irrigation control diagram block systems photovoltaic

Solar Charge Controller Working Using Microcontroller

Solar Charge Controller Working using Microcontroller www.edgefx.in

controller solar charge power battery circuit working panel load microcontroller using redirected watt edgefx

Solar Panel Charge Controller Wiring Diagram Sample

Solar Panel Charge Controller Wiring Diagram Sample wholefoodsonabudget.com

solar diagram charge wiring controller panel simple 12v turbine wind sample

Block Diagram Of MPPT Solar Charging Setup. | Download Scientific Diagram

Block Diagram of MPPT Solar Charging Setup. | Download Scientific Diagram www.researchgate.net

mppt

Solar Charge Controller - Engineering Stuff-Projects,Books,Solutions

Solar Charge Controller - Engineering Stuff-Projects,Books,Solutions gcuelect.blogspot.com

softwares

PWM Solar Charge Controller MOSFET - Electrical Engineering Stack Exchange

PWM solar charge controller MOSFET - Electrical Engineering Stack Exchange electronics.stackexchange.com

solar pwm controller charge mosfet

Solar Panel Charge Controller Wiring Diagram Sample

Solar Panel Charge Controller Wiring Diagram Sample wholefoodsonabudget.com

solar diagram charge wiring controller panel rv power system boondocking detailed diy sample

5 Shows The Operational Block Diagram Of A Solar Charge Controller

5 shows the operational block diagram of a solar charge controller www.researchgate.net

(PDF) Design And Implementation Of Maximum Power Point Tracking Solar

(PDF) Design and implementation of maximum power point tracking solar www.researchgate.net

controller charge solar diagram block proposed implementation tracking maximum point power

DIY AUTOMATIC SOLAR CHARGE CONTROLLER | Solar Panels, Solar, Circuit

DIY AUTOMATIC SOLAR CHARGE CONTROLLER | Solar panels, Solar, Circuit www.pinterest.com

Block Diagram Of PI Controller For A Stand Alone PV System. | Download

Block Diagram of PI Controller for a Stand Alone PV System. | Download www.researchgate.net

photovoltaic

Solar Panel Charge Controller Wiring Diagram Sample

Solar Panel Charge Controller Wiring Diagram Sample wholefoodsonabudget.com

solar circuit diagram panel wiring controller mppt battery charge inverter optimizer homemade schematic grid power micro diy panels circuits charger

Solar Charge Controller Types, Working Functionality And Applications

Solar Charge Controller Types, Working Functionality and Applications www.elprocus.com

controller solar charge diagram block mppt systems controllers load functionality applications types edgefx kits battery rvtech

Solar Charge Controller Working Using Microcontroller

Solar Charge Controller Working using Microcontroller www.edgefx.in

solar power controller charge diagram block energy microcontroller charger using circuit panel process working

Engineering Projects: MICRO CONTROLLER BASED AUTOMATED SOLAR VEHICLE

Engineering Projects: MICRO CONTROLLER BASED AUTOMATED SOLAR VEHICLE ugpro143.blogspot.com

solar engineering projects panel diagram block

Maximum Power Tracking Based Solar Charge Controller

Maximum Power Tracking based Solar Charge Controller www.elprocus.com

controller charge solar microcontroller diagram block using power based tracking maximum pv panels interface elprocus projects

Make An Arduino Solar Charge Controller #SolarPower « Adafruit

Make An Arduino Solar Charge Controller #SolarPower « Adafruit blog.adafruit.com

arduino solar mppt charge controller version based system power algorithm project point tracking block using nano energy instructables maximum panel

Solar Charge Controller Circuit Diagrams : Solar Panel Charge

Solar Charge Controller Circuit Diagrams : Solar Panel Charge wiring06.blogspot.com

mppt 2bcircuit controllers circuitos

I’m Looking For Feedback On My Solar System Diagram. I Have Purchased

I’m looking for feedback on my solar system diagram. I have purchased www.reddit.com

Make An MPPT Solar Charge Controller With Synchronous Buck Converter

Make an MPPT Solar charge Controller with Synchronous Buck Converter labprojectsbd.com

mppt synchronous buck

The Diagram Shows The Component Installed Between The Solar Panels And

The diagram shows the component installed between the solar panels and www.pinterest.pt

combiner charger generator

EPever 100 Amp MPPT Solar Charge Controller 48V / 200V Crazy

EPever 100 Amp MPPT Solar Charge Controller 48V / 200V Crazy zhcsolar.com

controller charge solar mppt amp epever diagram wiring 12v 24v 48v 100a 36v system 80a power tracer 50a epsolar lcd

Application Diagram - Charge Controllers

Application Diagram - Charge Controllers www.bluebirdsolar.in

charge solar mppt controllers diagram pwm cycle stage three modern which

Pwm solar charge controller mosfet. Diagram block solar brushless motor pump fed pv stage dc single asoka technologies water. Solar panel charge controller wiring diagram sample